湖南腾鸿
网站首页
关于我们
公司简介
公司荣誉
信息公示
新闻动态
产品展示
铝用阳极
余热发电
企业文化
公司活动
文化建设
招聘信息
联系我们
信息公示
你的位置:
首页
>
关于我们
>
信息公示
全部
公司简介
公司荣誉
信息公示
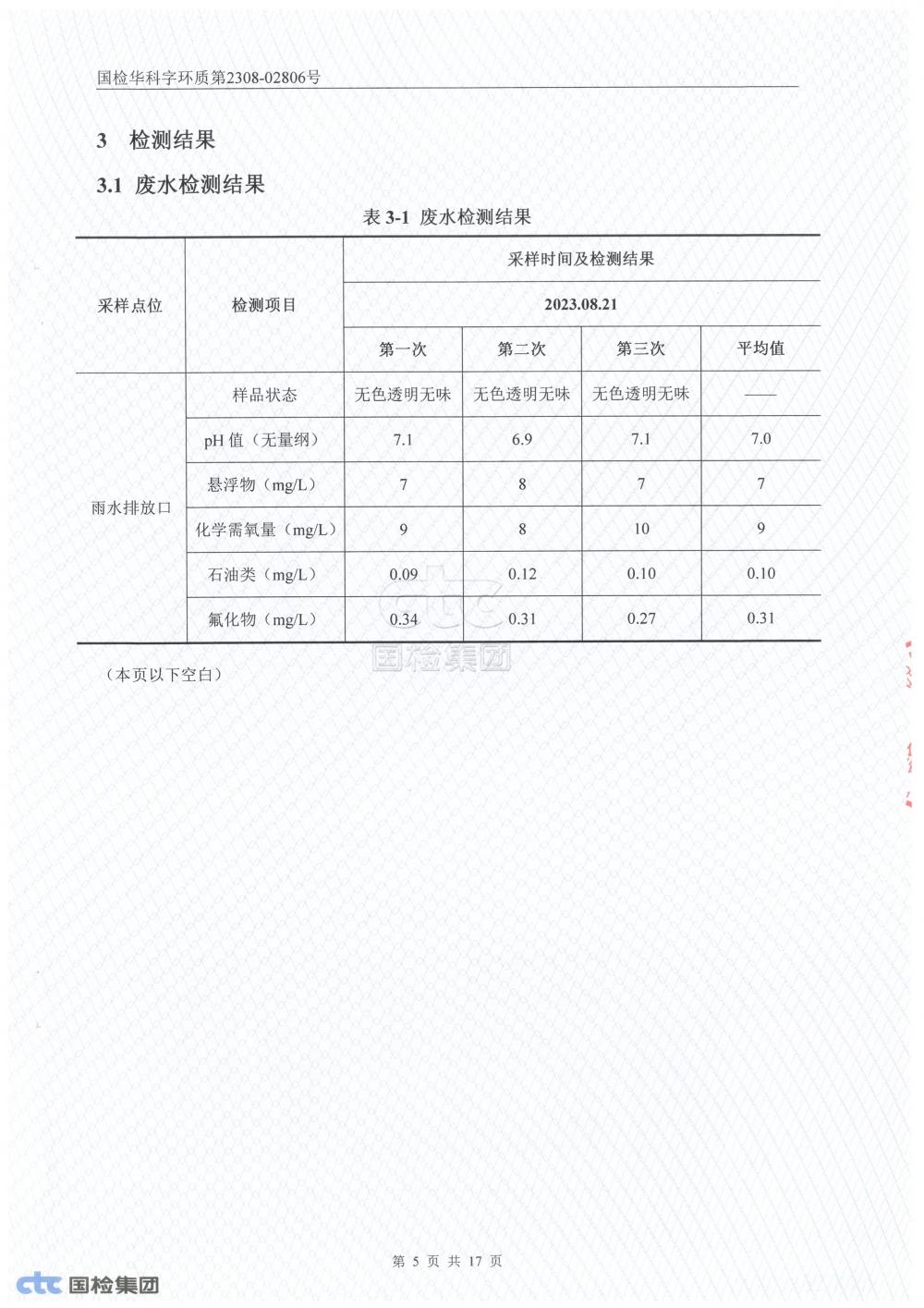
2023年第三季度自行监测报告
2023-11-16 14:29:47
为您推荐
2020年第一季度检测报告
湖南嘉力亚新材料有限公司计划开展 清洁生产的公告
湖南腾鸿新材料有限公司40万吨/年新型炭材料节能减排降碳技改
湖南腾鸿新材料有限公司16万吨/年炭素阳极升级改造为40万吨
2019年第一季度检测报告
知道创宇云安全
知道创宇云安全